Microscope Objective N PLAN H 20x/0,40
                  Discover the perfect solution. Explore our Objective Finder, compare alternatives, and find the best fit for your needs.
                
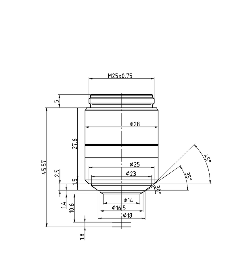
              技术规格
| 商品号 | 11566056 | 
|---|---|
| 校正环 (CORR) | - | 
| 盖玻片 | 1.8 Quartz | 
| 出射光瞳位置/微分干涉棱镜 | C | 
| Field Number (FN) | 22 | 
| 自由工作距离(WD,mm) | 10.6 | 
| 浸渍 | 干 | 
| 可变光阑 | 不使用 | 
| 放大倍数 | 20⨉ | 
| 相衬方法 | TL-BF, TL-DIC, TL-P, TL-DF, TL-IMC, FLUO | 
| 数值孔径 | 0.4 | 
| 物镜螺纹 | M25 | 
| 物镜类型 | N PLAN | 
| 弹簧式 | 否 | 
| 适用于 AFC(自适应焦点控制) | - | 
| 技术 | |
| 透射 | UV (365nm) |