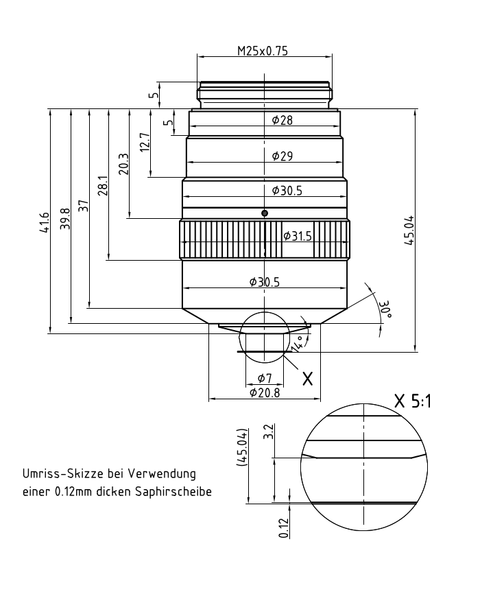
Microscope Objective N PLAN L 40x/0,55 CORR

Discover the perfect solution. Explore our Objective Finder, compare alternatives, and find the best fit for your needs.
N PLAN L 40x/0,55 CORR
N PLAN L 40x/0,55 CORR
N PLAN L 40x/0,55 CORR
N PLAN L 40x/0,55 CORR
N PLAN L 40x/0,55 CORR
N PLAN L 40x/0,55 CORR

技术规格

商品号 11506297
校正环 (CORR) CORR
盖玻片 带和不带
出射光瞳位置/微分干涉棱镜 C
Field Number (FN) 22
自由工作距离(WD,mm) 3.3 - 1.9
浸渍
可变光阑 不使用
放大倍数 40⨉
相衬方法 TL-BF, TL-DIC, TL-P, TL-DF, TL-IMC, FLUO
数值孔径 0.55
物镜螺纹 M25
物镜类型 N PLAN
弹簧式
适用于 AFC(自适应焦点控制) 适用于 AFC
技术
透射 UV (340nm)
Scroll to top