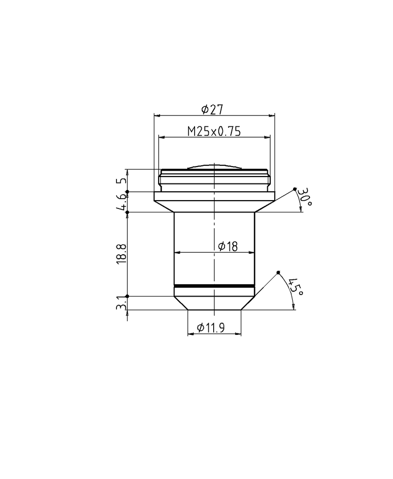
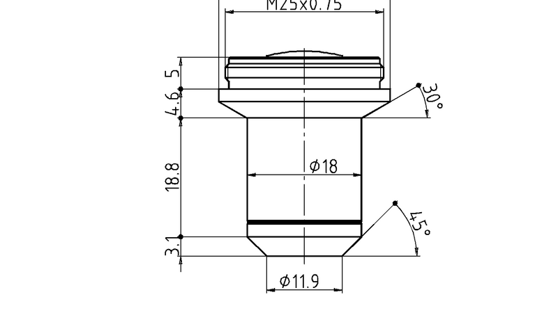
Microscope Objective HI PLAN 4x/0,10
Discover the perfect solution. Explore our Objective Finder, compare alternatives, and find the best fit for your needs.
技术规格
| 商品号 | 11506226 |
|---|---|
| 校正环 (CORR) | - |
| 盖玻片 | 带和不带 |
| 出射光瞳位置/微分干涉棱镜 | - |
| Field Number (FN) | 20 |
| 自由工作距离(WD,mm) | 18 |
| 浸渍 | 干 |
| 可变光阑 | 不使用 |
| 放大倍数 | 4⨉ |
| 相衬方法 | TL-BF, FLUO |
| 数值孔径 | 0.1 |
| 物镜螺纹 | M25 |
| 物镜类型 | HI PLAN |
| 弹簧式 | 否 |
| 适用于 AFC(自适应焦点控制) | - |
| 技术 | |
| 透射 | - |