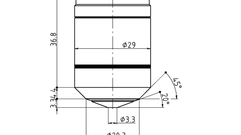
Microscope Objective N PLAN 40x/0,65 PH2

Discover the perfect solution. Explore our Objective Finder, compare alternatives, and find the best fit for your needs.
N PLAN 40x/0,65 PH2
N PLAN 40x/0,65 PH2
N PLAN 40x/0,65 PH2
N PLAN 40x/0,65 PH2
N PLAN 40x/0,65 PH2
N PLAN 40x/0,65 PH2

技术规格

商品号 11506099
校正环 (CORR) -
盖玻片 使用
出射光瞳位置/微分干涉棱镜 D
Field Number (FN) 22
自由工作距离(WD,mm) 0.36
浸渍
可变光阑 不使用
放大倍数 40⨉
相衬方法 TL-BF, TL-DIC, TL-P, TL-DF, TL-PH, FLUO
数值孔径 0.65
物镜螺纹 M25
物镜类型 N PLAN
弹簧式
适用于 AFC(自适应焦点控制) -
技术 PH2
透射 UV (365nm)
Scroll to top