Microscope Objective N PLAN H 20x/0,40

Discover the perfect solution. Explore our Objective Finder, compare alternatives, and find the best fit for your needs.
N PLAN H 20x/0,40
N PLAN H 20x/0,40
N PLAN H 20x/0,40
N PLAN H 20x/0,40
N PLAN H 20x/0,40
N PLAN H 20x/0,40

技术规格

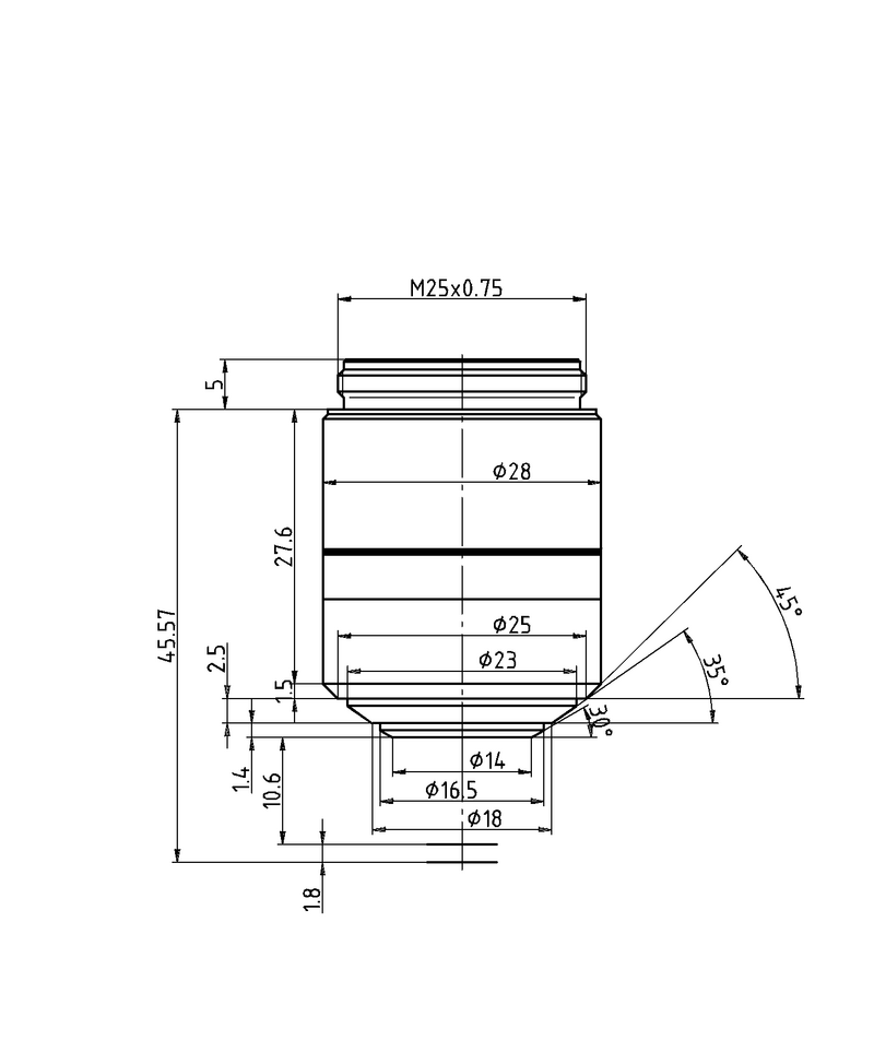
商品号 11566056
校正环 (CORR) -
盖玻片 1.8 Quartz
出射光瞳位置/微分干涉棱镜 C
Field Number (FN) 22
自由工作距离(WD,mm) 10.6
浸渍
可变光阑 不使用
放大倍数 20⨉
相衬方法 TL-BF, TL-DIC, TL-P, TL-DF, TL-IMC, FLUO
数值孔径 0.4
物镜螺纹 M25
物镜类型 N PLAN
弹簧式
适用于 AFC(自适应焦点控制) -
技术
透射 UV (365nm)
Scroll to top