Microscope Objective N PLAN L 20x/0.40 MIRAU

Product No. 11532671

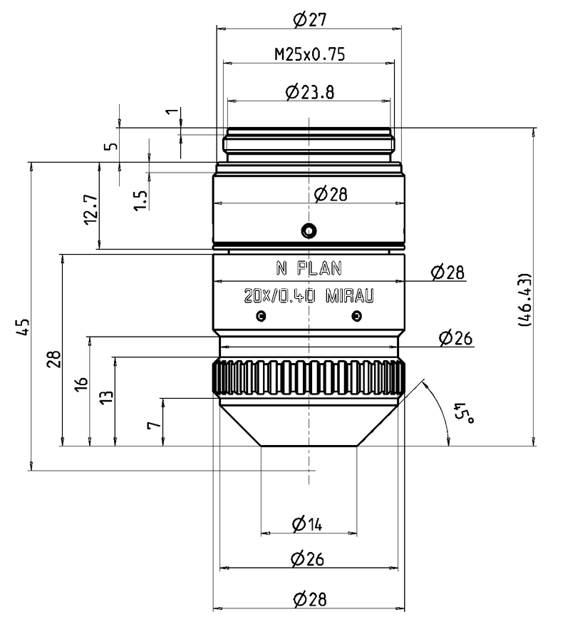
Objective N PLAN 20x/0.40 4.71 Mirau has a magnification of 20X and a numerical aperture of 0.4. For use in dry immersion material environment and attached with an objective thread of M25 having a free working distance of 0.357mm and a FN of 25.

Discover the perfect solution. Explore our Objective Finder, compare alternatives, and find the best fit for your needs.
N PLAN L 20x/0.40 MIRAU
N PLAN L 20x/0.40 MIRAU
N PLAN L 20x/0.40 MIRAU
N PLAN L 20x/0.40 MIRAU
N PLAN L 20x/0.40 MIRAU
N PLAN L 20x/0.40 MIRAU

技术规格

商品号 11532671
校正环 (CORR) -
盖玻片 不使用
出射光瞳位置/微分干涉棱镜 -
Field Number (FN) 25
自由工作距离(WD,mm) 3.57
浸渍
可变光阑 不使用
放大倍数 20⨉
相衬方法 TL-BF, TL-P, IL-BF, IL-P
数值孔径 0.4
物镜螺纹 M25
物镜类型 N PLAN
弹簧式
适用于 AFC(自适应焦点控制) -
技术 IL, Interferometry
透射 UV (365nm)
Scroll to top