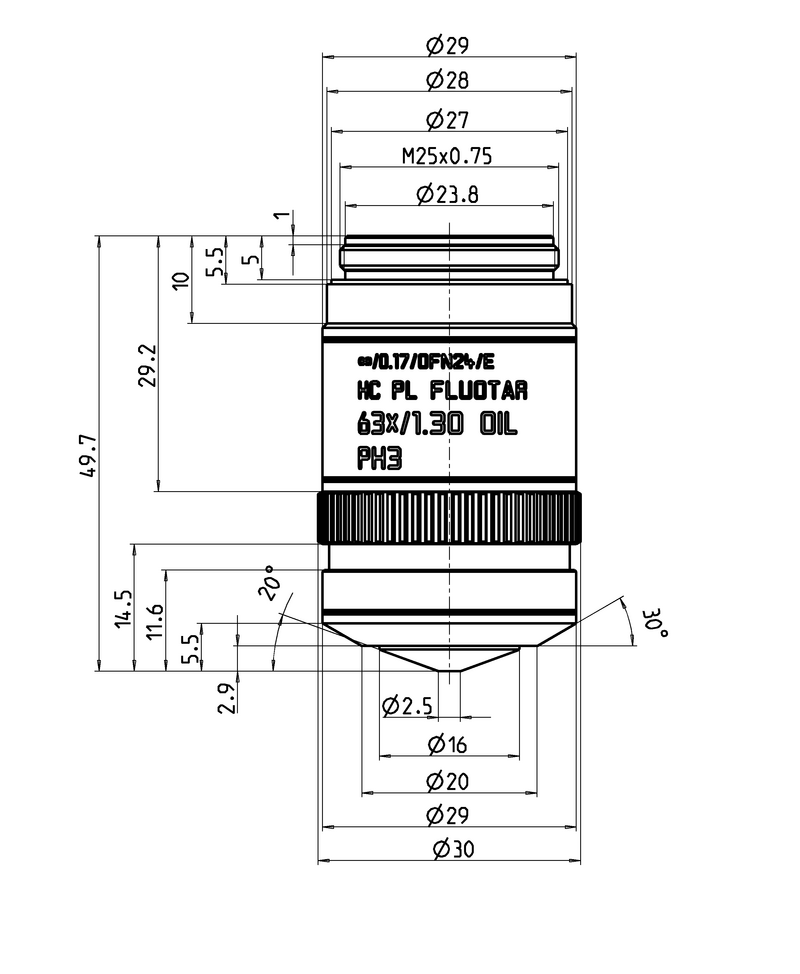
Microscope Objective HC PL FLUOTAR 63x/1,30 OIL PH3
                  Discover the perfect solution. Explore our Objective Finder, compare alternatives, and find the best fit for your needs.
                
              技术规格
| 商品号 | 11506385 | 
|---|---|
| 校正环 (CORR) | - | 
| 盖玻片 | 使用 | 
| 出射光瞳位置/微分干涉棱镜 | E | 
| Field Number (FN) | 24 | 
| 自由工作距离(WD,mm) | 0.16 | 
| 浸渍 | 油 | 
| 可变光阑 | 不使用 | 
| 放大倍数 | 63⨉ | 
| 相衬方法 | TL-BF, TL-DIC, TL-P, TL-DF, TL-PH, FLUO | 
| 数值孔径 | 1.3 | 
| 物镜螺纹 | M25 | 
| 物镜类型 | PL FLUOTAR | 
| 弹簧式 | 是 | 
| 适用于 AFC(自适应焦点控制) | 适用于 AFC | 
| 技术 | PH3 | 
| 透射 | UV (365nm) | 
 
            
         
           
           
              
           
            